KRV-PP
Уточняйте наличие и стоимость продукции по телефону: +7 (473) 239-12-33.
Приносим извинения за неудобства.

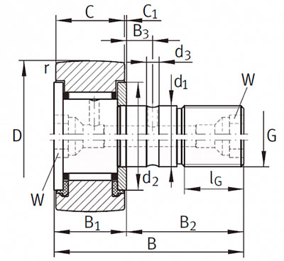
| Наименование | Внешний диаметр D, мм | C, мм | Артикул | Производитель | B, мм | B2, мм | Тип | Установочный винт G | G1, мм | M, мм | d2, мм | d1, мм | B3, мм | Момент затяжки (Nm) | Динамическая нагрузка C, N | Статическая нагрузка C0, N | Коэффициент нагрузки С, N | Коэффициент нагрузки С0, N | Max кол-во оборотов, rpm |
|---|---|---|---|---|---|---|---|---|---|---|---|---|---|---|---|---|---|---|---|
| Опорный ролик KRV32-PP TECHNIX | 32 | 14 | KRV32PPTECHNIX | TECHNIX | 40 | 25 | KRV-PP | M12x1.5 | 13 | 3 | 23 | 12 | 6 | 22 | 12200 | 19000 | 10000 | 15800 | 4500 |
| Опорный ролик KRV35-PP TECHNIX | 35 | 18 | KRV35PPTECHNIX | TECHNIX | 52 | 32,5 | KRV-PP | M16x1.5 | 17 | 6 | 27,6 | 16 | 8 | 58 | 18300 | 35000 | 12800 | 23000 | 3400 |
| Опорный ролик KRV40-PP TECHNIX | 40 | 20 | KRV40PPTECHNIX | TECHNIX | 58 | 36,5 | KRV-PP | M18x1.5 | 19 | 6 | 31,5 | 18 | 8 | 87 | 21000 | 39500 | 14800 | 26500 | 2900 |
| Опорный ролик KRV30-PP TECHNIX | 30 | 14 | KRV30PPTECHNIX | TECHNIX | 40 | 25 | KRV-PP | M12x1.5 | 13 | 3 | 23 | 12 | 6 | 22 | 12200 | 19000 | 9500 | 14600 | 4500 |
| Опорный ролик KRV16-PP TECHNIX | 16 | 11 | KRV16PPTECHNIX | TECHNIX | 28 | 16 | KRV-PP | M6 | 8 | 12 | 6 | 3 | 6400 | 8500 | 4850 | 6500 | 8500 | ||
| Опорный ролик KRV26-PP TECHNIX | 26 | 12 | KRV26PPTECHNIX | TECHNIX | 36 | 23 | KRV-PP | M10x1 | 12 | 17,5 | 10 | 15 | 8600 | 12900 | 7300 | 11300 | 6000 | ||
| Опорный ролик KRV19-PP TECHNIX | 19 | 11 | KRV19PPTECHNIX | TECHNIX | 32 | 20 | KRV-PP | M8 | 10 | 15 | 8 | 8 | 7300 | 10800 | 5500 | 7900 | 7000 | ||
| Опорный ролик KRV22-PP TECHNIX | 22 | 12 | KRV22PPTECHNIX | TECHNIX | 36 | 23 | KRV-PP | M10x1 | 12 | 17,5 | 10 | 15 | 8600 | 12900 | 6300 | 9100 | 6000 |
































