Главная → Каталог → Системы линейного перемещения → Линейные подшипники → Линейные подшипники в сборе с корпусом → SBR-UU
SBR-UU
Уточняйте наличие и стоимость продукции по телефону: +7 (473) 239-12-33.
Приносим извинения за неудобства.
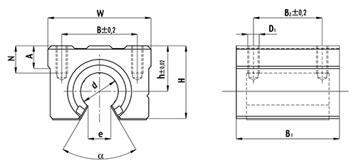
| Наименование | Артикул | Производитель | B, мм | B1, м | Тип | A, мм | Вес, кг | h, мм | e, мм | W, мм | D1, мм | Внутренний диаметр d, мм | N, мм | Динамическая нагрузка C, Н | Статическая нагрузка C0, Н | B2, мм |
|---|---|---|---|---|---|---|---|---|---|---|---|---|---|---|---|---|
| Линейный подшипник в сборе с корпусом SBR25-UU TECHNIX | SBR25UUTECHNIX | TECHNIX | 40 | 65 | SBR-UU | 14 | 0,45 | 27 | 11,5 | 60 | M6 | 25 | 12 | 980 | 1570 | 40 |
| Линейный подшипник в сборе с корпусом SBR20-UU TECHNIX | SBR20UUTECHNIX | TECHNIX | 35 | 50 | SBR-UU | 11 | 0,2 | 23 | 10 | 48 | M6 | 20 | 12 | 882 | 1370 | 35 |
| Линейный подшипник в сборе с корпусом SBR16-UU TECHNIX | SBR16UUTECHNIX | TECHNIX | 30 | 45 | SBR-UU | 9 | 0,15 | 20 | 10 | 45 | M5 | 16 | 12 | 774 | 1180 | 30 |
| Линейный подшипник в сборе с корпусом SBR30-UU TECHNIX | SBR30UUTECHNIX | TECHNIX | 50 | 70 | SBR-UU | 15 | 0,63 | 33 | 14 | 70 | M8 | 30 | 18 | 1570 | 2740 | 50 |
| Линейный подшипник в сборе с корпусом SBR40-UU TECHNIX | SBR40UUTECHNIX | TECHNIX | 65 | 90 | SBR-UU | 20 | 1,33 | 42 | 19 | 90 | M10 | 40 | 20 | 2160 | 4020 | 65 |
Линейный подшипник в сборе с корпусом предназначен для линейного перемещения по прецизионному валу соответствующего диаметра. Конструкция подшипника повышает его надежность и ресурс. Изделие имеет малый температурный нагрев. Благодаря высокой плавности перемещения способно выдерживать большие нагрузки. Корпус сделан из алюминия.
Имеют по внутреннему диаметру канавки, заполненные шариками в качестве тел качения. Запрессовываются (по наружному диаметру) в корпус исполнительного механизма и вместе с ним перемещаются по валу. В сборе с опорами и валами составляют системы линейного перемещения.

































